首页 手机版
关注我们
  • 关注公众号
  • 本站非官方交管12123网站,查询数据请以官方数据为准!
您所在的位置: 12123违章查询网 > 车主资讯 > 正文

东风标致307近光灯型号,东风标致307灯光自动亮

2023-03-05 14:58:25 12123违章查询网
车辆及故障描述 ▼
2004年产东风标致307汽车,搭载和AL4,行驶约13万千米。该车前照灯有时无。

故障 ▼
连接仪,读取转向盘模块和智能控制盒BSI1的故障码,无故障码存储。于是怀疑前照灯电路中可能有接触不良的地方。

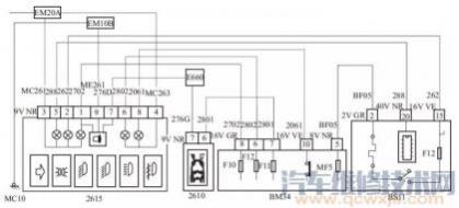
由于灯光控制部分比较复杂,模块、智能控制盒BSI1以及发动机室伺服控制盒BM34都参与了控制。为了更快地找出故障原因,查看(下图),右前照灯2615的插接件端子6通过远光灯线2802与到室伺服控制盒BM34的16VGR灰色插头端子6连接,由熔丝F12控制供电;左前照灯2610的插接件端子6通过远光灯线2801与到发动机室伺服控制盒BM34的16VGR灰色插头端子7连接,由熔丝F11控制供电;熔丝F12和F11的由BM34的内部提供。

东风标致307近光灯型号,东风标致307灯光自动亮
东风标致307汽车前照灯电路 2615—右前照灯;2610—左前照灯;BM34—发动机室伺服控制盒;BS11—智能控制盒
室伺服控制盒BM34的16VGR灰色插头。打开发动机室盖后,发现发动机室伺服控制盒BM34上原有的防水防尘盖没有了,而且发动机室伺服控制盒BM34上几个插头都出现了绿色的水锈。拔下发动机室控制盒BM34的16VGR灰色插头,发现端子已经锈迹斑斑。由于发动机室伺服控制盒BM34的防水防尘盖丢失,在清洗车身和发动机室时BM34插头进水,导致远光灯出现故障。

更换发动机室伺服控制盒BM34,并新的防水防尘盖,故障排除。
精彩推荐

丰田卡罗拉如何安装座套,卡罗拉引擎盖如何打开

丰田卡罗拉如何安装座套1、卡罗拉的座套安装其实很简单;首先要把座套分清楚前、后、左、右,然后完美对齐,再安装固定。2、顾名思义,汽车座套是指汽车座椅的外罩,可以...
2023-03-08 02:14:57

汽车变速箱有几种(汽车打不着火怎么救援)

汽车变速箱有几种1、我们经常遇到的汽车变速箱有几种:手动变速箱、机械变速箱(AMT)、液压自动变速箱(at)、CVT无级变速箱和双离合自动变速箱;1.手动变速器...
2023-03-08 02:14:53

酒驾发生轻微交通事故逃逸如何处理(交通事故跑了以后再回来算不算逃逸)

酒驾发生轻微交通事故逃逸如何处理1、交通运输肇事后逃逸或者有其他特别恶劣情节的,处三年以上七年以下有期徒刑;因逃逸致人死亡的,处七年以上有期徒刑。2、法律依据:...
2023-03-08 02:14:50

起亚k2倒车雷达控制盒在哪里(起亚k3机油滤芯在哪里)

起亚k2倒车雷达控制盒在哪里1、起亚K2倒车雷达控制箱在车尾。2、后备箱盖上主单元的雷达头在后备箱的左后方,在灯的侧面,在车轮上方的挡泥板铁皮上,有五根电线在上...
2023-03-08 02:14:49

比亚迪汉电池容量多少度,比亚迪汉充满需要多少度电?

比亚迪汉电池容量多少度1、比亚迪电动版车型的电池容量为76.9千瓦时,其混动版车型的电池容量为15.2千瓦时,比亚迪韩是比亚迪旗下的一款中大型轿车;该车轴距为2...
2023-03-08 02:14:48

18款英朗二手多少钱能入手?(二手别克英朗怎么样)

18款英朗二手多少钱能入手?1、18款英朗二手5万就能入手了:2023款别克英朗的外观设计的确是颠覆性的,新车的设计与现款车型相比给人感觉更加时尚,我们以目前放...
2023-03-08 02:14:40

别克威朗怎么连接蓝牙(别克威朗刹车片多少公里换一次?)

别克威朗怎么连接蓝牙1、先在中控找到蓝牙选项,开启车载蓝牙;然后打开手机蓝牙,搜索汽车蓝牙名称,连接配对成功后使用;车载蓝牙也叫车载免提。2、车载蓝牙系统中的蓝...
2023-03-08 02:14:39

宝马6系gt是四驱系统吗?(宝马530是真的全时四驱吗)

宝马6系gt是四驱系统吗?1、宝马6系gt为后轮驱动,是宝马旗下的一款中大型跨界车;宝马6系gt的长宽高分别为5103mm(毫米)、1904mm(毫米)和155...
2023-03-08 02:14:38

新能源汽车什么时候开始普及?(新能源汽车什么时候开始遍布全国)

新能源汽车什么时候开始普及?新能源汽车什么时候开始遍布全国1、新能源汽车是当前汽车市场的重中之重,新能源汽车占据了很大的市场份额;还有人说,燃油汽车需要禁止销售...
2023-03-08 02:14:32

福特福睿斯空调滤芯多久换,福特福睿斯油箱多少升

福特福睿斯空调滤芯多久换1、福特福睿斯中央空调滤芯拆换时间为1.五万千米,依据具体情况可合理调节周期时间;福特福睿斯中央空调滤芯拆换实例教程中央空调滤芯部位:前...
2023-03-08 02:14:31